LAVA COMPUTER MANUFACTURING, INC.
LAVA 2SP-550 (VER. 2)
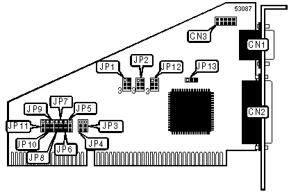
Card Type | Serial/parallel card |
Chip Set | Unidentified |
Maximum Onboard Memory | N/A |
I/O Options | Serial port (2), parallel port |
Hard Drives supported | None |
Floppy drives supported | None |
Data Bus | 16-bit ISA |
Card Size | Half-length, full-height |

CONNECTIONS | |||
Function | Label | Function | Label |
Serial port 1 | CN1 | Serial port 2 | CN3 |
Parallel port | CN2 | ||
SERIAL PORT 1 CONFIGURATION | ||||
Setting | JP1/pins 1 & 2 | JP1/pins 2 & 3 | JP1/pins 4 & 5 | JP1/pins 5 & 6 |
COM1 | Closed | Open | Open | Open |
COM2 | Open | Closed | Open | Open |
COM3 | Open | Open | Closed | Open |
COM4 | Open | Open | Open | Closed |
SERIAL PORT 2 CONFIGURATION | ||||
Setting | JP2/pins 1 & 2 | JP2/pins 2 & 3 | JP2/pins 4 & 5 | JP2/pins 5 & 6 |
COM1 | Closed | Open | Open | Open |
COM2 | Open | Closed | Open | Open |
COM3 | Open | Open | Closed | Open |
COM4 | Open | Open | Open | Closed |
SERIAL PORT 1 INTERRUPT SELECTION | |||||||||
Setting | JP3/ pins 2 & 3 | JP4/ pins 2 & 3 | JP5/ pins 2 & 3 | JP6/ pins 2 & 3 | JP7/ pins 2 & 3 | JP8/ pins 2 & 3 | JP9/ pins 2 & 3 | JP10/ pins 2 & 3 | JP11/ pins 2 & 3 |
IRQ2 | Open | Open | Closed | Open | Open | Open | Open | Open | Open |
IRQ3 | Closed | Open | Open | Open | Open | Open | Open | Open | Open |
IRQ4 | Open | Closed | Open | Open | Open | Open | Open | Open | Open |
IRQ5 | Open | Open | Open | Closed | Open | Open | Open | Open | Open |
IRQ7 | Open | Open | Open | Open | Closed | Open | Open | Open | Open |
IRQ10 | Open | Open | Open | Open | Open | Closed | Open | Open | Open |
IRQ11 | Open | Open | Open | Open | Open | Open | Closed | Open | Open |
IRQ12 | Open | Open | Open | Open | Open | Open | Open | Closed | Open |
IRQ15 | Open | Open | Open | Open | Open | Open | Open | Open | Closed |
SERIAL PORT 2 INTERRUPT SELECTION | |||||||||
Setting | JP3/ pins 1 & 2 | JP4/ pins 1 & 2 | JP5/ pins 1 & 2 | JP6/ pins 1 & 2 | JP7/ pins 1 & 2 | JP8/ pins 1 & 2 | JP9/ pins 1 & 2 | JP10/ pins 1 & 2 | JP11/ pins 1 & 2 |
IRQ2 | Open | Open | Closed | Open | Open | Open | Open | Open | Open |
IRQ3 | Closed | Open | Open | Open | Open | Open | Open | Open | Open |
IRQ4 | Open | Closed | Open | Open | Open | Open | Open | Open | Open |
IRQ5 | Open | Open | Open | Closed | Open | Open | Open | Open | Open |
IRQ7 | Open | Open | Open | Open | Closed | Open | Open | Open | Open |
IRQ10 | Open | Open | Open | Open | Open | Closed | Open | Open | Open |
IRQ11 | Open | Open | Open | Open | Open | Open | Closed | Open | Open |
IRQ12 | Open | Open | Open | Open | Open | Open | Open | Closed | Open |
IRQ15 | Open | Open | Open | Open | Open | Open | Open | Open | Closed |
USER CONFIGURABLE SETTINGS | ||
Function | Label | Position |
Parallel port is configured as LPT1 | JP12/pins 1 & 2 | Closed |
Parallel port is configured as LPT2 | JP12/pins 2 & 3 | Closed |
IRQ 5 enabled | JP12/pins 4 & 5 | Closed |
IRQ 7 enabled | JP12/pins 5 & 6 | Closed |
Parallel port bi-directional mode enabled | JP13/pins 1 & 2 | Closed |
Parallel port uni-directional mode enabled | JP13/pins 2 & 3 | Closed |