SYSGEN, INC.
OMNI-BRIDGE
Card Type | Floppy drive controller |
Chip Set | Unidentified |
Maximum Onboard Memory | None |
I/O Options | floppy drive interface |
Data Bus | 8-bit ISA |
Floppy drives supported | Two 360KB, 720KB, 1.2MB, or 1.44MB drives |

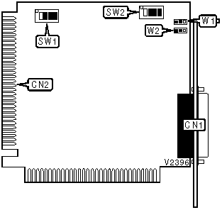
CONNECTIONS | |||
Function | Label | Function | Label |
Floppy drive module connector | CN1 | Floppy drive interface | CN2 |
USER CONFIGURABLE SETTINGS | |||
Function | Label | Position | |
| » | I/O address select is 3F0h - 3F7h | SW2/3 | Off |
I/O address select is 370h - 377h | SW2/3 | On | |
Fixed drive speed | SW2/4 | Off | |
Dual drive speed | SW2/4 | On | |
DRIVE TYPE A CONFIGURATION | ||
Type | SW1/1 | SW1/2 |
360KB | Off | Off |
720KB | On | Off |
1.2MB | Off | On |
1.44MB | On | On |
DRIVE TYPE B CONFIGURATION | ||
Type | SW1/3 | SW1/4 |
360KB | Off | Off |
720KB | On | Off |
1.2MB | Off | On |
1.44MB | On | On |
BIOS ADDRESS SELECTION | ||
Address | SW2/1 | SW2/2 |
CA00h | Off | On |
CC00h | On | Off |
CE00h | On | On |
None | Off | Off |
EXTERNAL POWER CONFIGURATION | ||
Setting | W1 | W2 |
Disabled | Pins 2 & 3 closed | Pins 2 & 3 closed |
Enabled | Pins 1 & 2 closed | Pins 1 & 2 closed |