FLASH TECH, INC.
SL-66B
Device Type | Mainboard |
Processor | Pentium II |
Processor Speed | 233/266/300/333MHz |
Chip Set | Intel 440LX |
Maximum Onboard Memory | 1GB (EDO & SDRAM supported) |
Cache | 256/512KB (located on the Pentium II CPU) |
BIOS | Award |
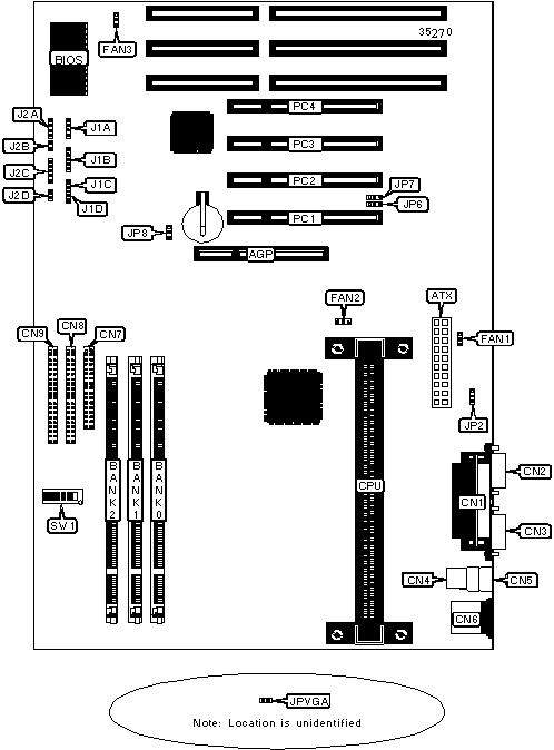
I/O Options | 32-bit PCI slots (4), floppy drive interface, IDE interface (2), parallel port, PS/2 mouse port, serial ports (2), USB ports (2), IR connector, ATX power connector, AGP slot, green PC connector |
Dimensions | 300mm x 190mm |

CONNECTIONS | |||
Purpose | Location | Purpose | Location |
AGP slot | AGP | CPU fan power | FAN2 |
ATX power connector | ATX | Chassis fan power | FAN3 |
Parallel port | CN1 | IDE interface LED | J1A |
Serial port 2 | CN2 | IR connector | J1B |
Serial port 1 | CN3 | Power switch | J1C |
USB connector 2 | CN4 | Green PC connector | J1D |
USB connector 1 | CN5 | Speaker | J2A |
PS/2 mouse port | CN6 | Reset switch | J2B |
Floppy drive interface | CN7 | Power LED & Keylock | J2C |
IDE interface 2 | CN8 | Turbo LED | J2D |
IDE interface 1 | CN9 | 32-bit PCI slots | PC1 - 4 |
CPU fan power | FAN1 | ||
USER CONFIGURABLE SETTINGS | |||
Function | Label | Position | |
» | Factory configured - do not alter | JP2 | Unidentified |
» | Normal VGA card enabled | JPVGA | Closed |
Special VGA card enabled | JPVGA | Open | |
» | CMOS normal operation | JP8 | Pins 1 & 2 closed |
CMOS clear | JP8 | Pins 2 & 3 closed | |
USB PORT SELECTION | |||
Function | JP6 | JP7 | |
| » | Redirect USB1 to AGP port | Pins 1 & 2 closed | Pins 1 & 2 closed |
Redirect all USB ports to USB connector | Pins 2 & 3 closed | Pins 2 & 3 closed | |
DRAM CONFIGURATION | |||
Size | Bank 0 | Bank 1 | Bank 2 |
8MB | (1) 1MB x 36 | None | None |
16MB | (1) 1MB x 36 | (1) 1MB x 64 | None |
16MB | (1) 2MB x 36 | None | None |
24MB | (1) 1MB x 36 | (1) 1MB x 64 | (1) 1MB x 64 |
24MB | (1) 2MB x 36 | (1) 1MB x 64 | None |
32MB | (1) 2MB x 36 | (1) 2MB x 64 | None |
32MB | (1) 4MB x 36 | None | None |
40MB | (1) 2MB x 36 | (1) 2MB x 64 | (1) 1MB x 64 |
40MB | (1) 4MB x 36 | (1) 1MB x 64 | None |
48MB | (1) 2MB x 36 | (1) 2MB x 64 | (1) 2MB x 64 |
48MB | (1) 4MB x 36 | (1) 2MB x 64 | None |
64MB | (1) 4MB x 36 | (1) 4MB x 64 | None |
64MB | (1) 8MB x 36 | None | None |
72MB | (1) 4MB x 36 | (1) 4MB x 64 | (1) 1MB x 64 |
72MB | (1) 8MB x 36 | (1) 1MB x 64 | None |
80MB | (1) 4MB x 36 | (1) 4MB x 64 | (1) 2MB x 64 |
80MB | (1) 8MB x 36 | (1) 2MB x 64 | None |
DRAM CONFIGURATION | |||
Size | Bank 0 | Bank 1 | Bank 2 |
96MB | (1) 4MB x 36 | (1) 4MB x 64 | (1) 4MB x 64 |
96MB | (1) 8MB x 36 | (1) 4MB x 64 | None |
128MB | (1) 8MB x 36 | (1) 8MB x 64 | None |
128MB | (1) 16MB x 36 | None | None |
136MB | (1) 16MB x 36 | (1) 1MB x 64 | None |
144MB | (1) 16MB x 36 | (1) 2MB x 64 | None |
160MB | (1) 16MB x 36 | (1) 4MB x 64 | None |
192MB | (1) 16MB x 36 | (1) 8MB x 64 | None |
256MB | (1) 16MB x 36 | (1) 16MB x 64 | None |
256MB | (1) 32MB x 36 | None | None |
264MB | (1) 16MB x 36 | (1) 16MB x 64 | (1) 1MB x 64 |
264MB | (1) 32MB x 36 | (1) 1MB x 64 | None |
272MB | (1) 32MB x 36 | (1) 2MB x 64 | None |
272MB | (1) 16MB x 36 | (1) 16MB x 64 | (1) 2MB x 64 |
288MB | (1) 16MB x 36 | (1) 16MB x 64 | (1) 4MB x 64 |
288MB | (1) 32MB x 36 | (1) 4MB x 64 | None |
320MB | (1) 16MB x 36 | (1) 16MB x 64 | (1) 8MB x 64 |
320MB | (1) 32MB x 36 | (1) 8MB x 64 | None |
384MB | (1) 16MB x 36 | (1) 16MB x 64 | (1) 16MB x 64 |
384MB | (1) 32MB x 36 | (1) 16MB x 64 | None |
512MB | (1) 32MB x 36 | (1) 32MB x 64 | None |
520MB | (1) 32MB x 36 | (1) 32MB x 64 | (1) 1MB x 64 |
528MB | (1) 32MB x 36 | (1) 32MB x 64 | (1) 2MB x 64 |
544MB | (1) 32MB x 36 | (1) 32MB x 64 | (1) 4MB x 64 |
618MB | (1) 32MB x 36 | (1) 32MB x 64 | (1) 8MB x 64 |
640MB | (1) 32MB x 36 | (1) 32MB x 64 | (1) 16MB x 64 |
768MB | (1) 32MB x 36 | (1) 32MB x 64 | (1) 32MB x 64 |
1024MB | (1) 64MB x 64 | (1) 64MB x 64 | None |
Note: Board supports 1GB using EDO DRAM, and 512MB using SDRAM. It is not recommended that you combine EDO and SDRAM. | |||
CPU SPEED SELECTION | ||||||||
CPU Speed | Clock Speed | Multiplier | SW1/1 | SW1/2 | SW1/3 | SW1/4 | SW1/5 | SW1/6 |
233MHz | 66MHz | 3.5x | On | Off | Off | On | Off | Off |
266MHz | 66MHz | 4x | Off | On | On | On | Off | Off |
300MHz | 66MHz | 4.5x | Off | On | Off | On | Off | Off |
333MHz | 66MHz | 5x | Off | Off | On | On | Off | Off |