FORCOM TECHNOLOGY CORPORATION
FT-1338A
Processor | 80486SX/AM486DX/80486DX/AM486DX2/AM486DX2(WB)/ AM486DX2(WT)/80486DX2/AM486DX4/AM486DX4(WB)/ AM486DX4(WT(/80486DX4/CXM7/STM7/IBMM7/TIM7/CX5X86(WB)/ CX5X86(WT)/ST5X86(WB)/ST5X86(WT)/IBM5X86(WB)/IBM5X86(WT)/ TI5X86(WB)/TI5X86(WT)/ AM5X86(WB)/AM5X86(WT) |
Processor Speed | 25/33/40/50(internal)/50/66(internal)/75(internal)/100(internal)MHz |
Chip Set | SIS |
Video Chip Set | Cirrus Logic |
Maximum Onboard Memory | 128MB (EDO supported) |
Maximum Video Memory | 2MB |
Cache | 128/256/512KB |
BIOS | Award |
Dimensions | 220mm x 220mm |
I/O Options | Floppy drive interface, green PC connector, IDE interfaces (2), parallel port, PS/2 mouse interface, serial ports (2), VGA feature connector, VGA port, riser slot, IR connector |
NPU Options | None |

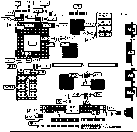
CONNECTIONS | |||
Purpose | Location | Purpose | Location |
PS/2 mouse interface | CN2A | External battery | J1 |
Serial port 1 | CN3 | Green PC connector | J3 |
Serial port 2 | CN4 | Speaker | J4 pins 1/3/5/7 |
Parallel port | CN5 | Reset switch | J4 pins 2 & 4 |
VGA port | CN6 | IDE interface LED | J4 pins 6 & 8 |
IR connector | CN7 | Power LED & keylock | J4 pins 11/13/15/17/19 |
VGA feature connector | CN8 | Turbo LED | J4 pins 12 & 14 |
Floppy drive interface | CN9 | Turbo switch | J4 pins 16/18/20 |
IDE interface 1 | CN10 | Riser slot | SL1 |
IDE interface 2 | CN11 | ||
USER CONFIGURABLE SETTINGS | |||
Function | Label | Position | |
» | Factory configured - do not alter | JP1 | Unidentified |
» | Factory configured - do not alter | JP2 | Unidentified |
» | On board video enabled | JP5 | Pins 1 & 2 closed |
On board video disabled | JP5 | Pins 2 & 3 closed | |
» | CMOS memory normal operation | JP6 | Pins 1 & 2 closed |
CMOS memory clear | JP6 | Pins 2 & 3 closed | |
» | Factory configured - do not alter | JP11 | Unidentified |
» | Factory configured - do not alter | JP12 | Unidentified |
Monitor type select color | JP14 | Closed | |
Monitor type select monochrome | JP14 | Open | |
» | Factory configured - do not alter | JP15 | Unidentified |
» | Power good signal detect from board | JP20 | Pins 2 & 3 closed |
Power good signal detect from power supply | JP20 | Pins 1 & 2 closed | |
Buzzer enabled | JP31 | Closed | |
Buzzer disabled | JP31 | Open | |
» | Factory configured - do not alter | JP34 | Unidentified |
» | Factory configured - do not alter | JP35 | Unidentified |
DRAM CONFIGURATION | ||
Size | Bank 0 | Bank 1 |
1MB | (1) 256K x 36 | None |
2MB | (1) 512K x 36 | None |
2MB | (1) 256K x 36 | (1) 256K x 36 |
3MB | (1) 512K x 36 | (1) 256K x 36 |
4MB | (1) 1M x 36 | None |
4MB | (1) 512K x 36 | (1) 512K x 36 |
DRAM CONFIGURATION (CON’T) | ||
Size | Bank 0 | Bank 1 |
5MB | (1) 1M x 36 | (1) 256K x 36 |
6MB | (1) 1M x 36 | (1) 512K x 36 |
8MB | (1) 2M x 36 | None |
8MB | (1) 1M x 36 | (1) 1M x 36 |
9MB | (1) 2M x 36 | (1) 256K x 36 |
10MB | (1) 2M x 36 | (1) 512K x 36 |
12MB | (1) 2M x 36 | (1) 1M x 36 |
16MB | (1) 4M x 36 | None |
16MB | (1) 2M x 36 | (1) 2M x 36 |
17MB | (1) 4M x 36 | (1) 256K x 36 |
18MB | (1) 4M x 36 | (1) 512K x 36 |
20MB | (1) 4M x 36 | (1) 1M x 36 |
24MB | (1) 4M x 36 | (1) 2M x 36 |
32MB | (1) 8M x 36 | None |
32MB | (1) 4M x 36 | (1) 4M x 36 |
33MB | (1) 8M x 36 | (1) 256K x 36 |
34MB | (1) 8M x 36 | (1) 512K x 36 |
36MB | (1) 8M x 36 | (1) 1M x 36 |
40MB | (1) 8M x 36 | (1) 2M x 36 |
48MB | (1) 8M x 36 | (1) 4M x 36 |
64MB | (1) 8M x 36 | (1) 8M x 36 |
64MB | (1) 16M x 36 | None |
128MB | (1) 16M x 36 | (1) 16M x 36 |
Note: Board accepts EDO memory. Banks are interchangeable. | ||
CACHE CONFIGURATION | ||
Size | Bank 0 | TAG |
128KB | (4) 32K x 8 | (1) 8K x 8 |
256KB | (4) 64K x 8 | (1) 32K x 8 |
512KB | (4) 128K x 8 | (1) 32K x 8 |
CACHE JUMPER CONFIGURATION | ||
Size | JP18 | JP19 |
128KB | Pins 1 & 2 closed | Pins 1 & 2 closed |
256KB | Pins 1 & 2 closed | Pins 2 & 3 closed |
512KB | Pins 2 & 3 closed | Pins 2 & 3 closed |
VIDEO MEMORY CONFIGURATION | |||
Size | Bank 0 | Bank 1 | Bank 2 |
512KB | 512MB | None | None |
1MB | 512MB | 512MB | None |
2MB | 512MB | 512MB | 1MB |
CPU SPEED SELECTION | ||
Speed | JP13 | JP17 |
25MHz | Pins 1 & 2 closed | Open |
33MHz | Pins 1 & 2 closed | Pins 1 & 2, 3 & 4 closed |
40MHz | Pins 2 & 3 closed | Pins 1 & 2 closed |
50iMHz | Pins 1 & 2 closed | Open |
50MHz | Pins 2 & 3 closed | Pins 3 & 4 closed |
66iMHz | Pins 1 & 2 closed | Pins 1 & 2, 3 & 4 closed |
75iMHz | Pins 1 & 2 closed | Open |
100iMHz | Pins 1 & 2 closed | Pins 1 & 2, 3 & 4 closed |
CPU TYPE SELECTION | |||||
Type | JP7 | JP8 | JP9 | JP10 | JP16 |
80486SX | 4 & 5 | Open | 2 & 3 | Open | 1 & 2 |
AM486DX | 4 & 5 | Open | 1 & 2, 3 & 4 | Open | 1 & 2 |
80486DX | 4 & 5 | Open | 1 & 2, 3 & 4 | Open | 1 & 2 |
AM486DX2 | 4 & 5 | Open | 1 & 2, 3 & 4 | Open | 1 & 2 |
AM486DX2 (V8B, WB, 2x) | 4 & 5 | 4 & 5 | 1 & 2, 3 & 4 | 1 & 2, 3 & 4 | 1 & 2 |
AM486DX2 (V8B, WB, 3x) | 4 & 5 | 4 & 5 | 1 & 2, 3 & 4 | 1 & 2, 3 & 4 | 1 & 2 |
AM486DX2 (V8B, WT, 2x) | 4 & 5 | 4 & 5 | 1 & 2, 3 & 4 | 1 & 2, 3 & 4 | 1 & 2 |
AM486DX2 (V8B, WT, 3x) | 4 & 5 | 4 & 5 | 1 & 2, 3 & 4 | 1 & 2, 3 & 4 | 1 & 2 |
AM486DX2 (V8T) | 4 & 5 | Open | 1 & 2, 3 & 4 | Open | 1 & 2 |
80486DX2 | 4 & 5 | Open | 1 & 2, 3 & 4 | Open | 1 & 2 |
AM486DX4 (2x) | 4 & 5 | 4 & 5 | 1 & 2, 3 & 4 | 3 & 4 | 1 & 2 |
AM486DX4 (3x) | 4 & 5 | 4 & 5 | 1 & 2, 3 & 4 | 3 & 4 | 1 & 2 |
AM486DX4 (V8B, WB, 2x) | 4 & 5 | 4 & 5 | 1 & 2, 3 & 4 | 1 & 2, 3 & 4 | 1 & 2 |
AM486DX4 (V8B, WB, 3x) | 4 & 5 | 4 & 5 | 1 & 2, 3 & 4 | 1 & 2, 3 & 4 | 1 & 2 |
AM486DX4 (V8B, WT, 2x) | 4 & 5 | 4 & 5 | 1 & 2, 3 & 4 | 1 & 2, 3 & 4 | 1 & 2 |
AM486DX4 (V8B, WT, 3x) | 4 & 5 | 4 & 5 | 1 & 2, 3 & 4 | 1 & 2, 3 & 4 | 1 & 2 |
AM486DX4 (V8T) | 4 & 5 | Open | 1 & 2, 3 & 4 | Open | 1 & 2 |
80486DX4 (2x) | 4 & 5 | 4 & 5 | 1 & 2, 3 & 4 | 3 & 4 | 1 & 2 |
80486DX4 (2.5x) | 4 & 5 | 4 & 5 | 1 & 2, 3 & 4 | 3 & 4 | 1 & 2 |
80486DX4 (3x) | 4 & 5 | 4 & 5 | 1 & 2, 3 & 4 | 3 & 4 | 1 & 2 |
CX M7 | 4 & 5 | 2 & 3 | 1 & 2, 3 & 4 | 2 & 3 | 1 & 2 |
ST M7 | 4 & 5 | 2 & 3 | 1 & 2, 3 & 4 | 2 & 3 | 1 & 2 |
IBM M7 | 4 & 5 | 2 & 3 | 1 & 2, 3 & 4 | 2 & 3 | 1 & 2 |
TI M7 | 4 & 5 | 2 & 3 | 1 & 2, 3 & 4 | 2 & 3 | 1 & 2 |
CX 5X86 (WB, 2x) | 4 & 5 | 4 & 5 | 1 & 2, 3 & 4 | 1 & 2, 3 & 4 | 1 & 2 |
CX 5X86 (WT, 2x) | 4 & 5 | 4 & 5 | 1 & 2, 3 & 4 | 1 & 2, 3 & 4 | 1 & 2 |
CX 5X86 (WB, 3x) | 4 & 5 | 4 & 5 | 1 & 2, 3 & 4 | 1 & 2, 3 & 4 | 1 & 2 |
CX 5X86 (WT, 3x) | 4 & 5 | 4 & 5 | 1 & 2, 3 & 4 | 1 & 2, 3 & 4 | 1 & 2 |
ST 5X86 (WB, 2x) | 4 & 5 | 4 & 5 | 1 & 2, 3 & 4 | 1 & 2, 3 & 4 | 1 & 2 |
ST 5X86 (WT, 2x) | 4 & 5 | 4 & 5 | 1 & 2, 3 & 4 | 1 & 2, 3 & 4 | 1 & 2 |
CPU TYPE SELECTION (CON’T) | |||||
Type | JP7 | JP8 | JP9 | JP10 | JP16 |
ST 5X86 (WB, 3x) | 4 & 5 | 4 & 5 | 1 & 2, 3 & 4 | 1 & 2, 3 & 4 | 1 & 2 |
ST 5X86 (WT, 3x) | 4 & 5 | 4 & 5 | 1 & 2, 3 & 4 | 1 & 2, 3 & 4 | 1 & 2 |
IBM 5X86 (WB, 2x) | 4 & 5 | 4 & 5 | 1 & 2, 3 & 4 | 1 & 2, 3 & 4 | 1 & 2 |
IBM 5X86 (WT, 2x) | 4 & 5 | 4 & 5 | 1 & 2, 3 & 4 | 1 & 2, 3 & 4 | 1 & 2 |
IBM 5X86 (WB, 3x) | 4 & 5 | 4 & 5 | 1 & 2, 3 & 4 | 1 & 2, 3 & 4 | 1 & 2 |
IBM 5X86 (WT, 3x) | 4 & 5 | 4 & 5 | 1 & 2, 3 & 4 | 1 & 2, 3 & 4 | 1 & 2 |
TI 5X86 (WB, 2x) | 4 & 5 | 4 & 5 | 1 & 2, 3 & 4 | 1 & 2, 3 & 4 | 1 & 2 |
TI 5X86 (WT, 2x) | 4 & 5 | 4 & 5 | 1 & 2, 3 & 4 | 1 & 2, 3 & 4 | 1 & 2 |
TI 5X86 (WB, 3x) | 4 & 5 | 4 & 5 | 1 & 2, 3 & 4 | 1 & 2, 3 & 4 | 1 & 2 |
TI 5X86 (WT, 3x) | 4 & 5 | 4 & 5 | 1 & 2, 3 & 4 | 1 & 2, 3 & 4 | 1 & 2 |
AM 5X86 (WB, 3x) | 4 & 5 | 4 & 5 | 1 & 2, 3 & 4 | 1 & 2, 3 & 4 | 1 & 2 |
AM 5X86 (WT, 4x) | 4 & 5 | 4 & 5 | 1 & 2, 3 & 4 | 1 & 2, 3 & 4 | 1 & 2 |
AM 5X86 (WB, 3x) | 4 & 5 | 4 & 5 | 1 & 2, 3 & 4 | 1 & 2, 3 & 4 | 1 & 2 |
AM 5X86 (WT, 4x) | 4 & 5 | 4 & 5 | 1 & 2, 3 & 4 | 1 & 2, 3 & 4 | 1 & 2 |
Note: Pins designated should be in the closed position. | |||||
CPU TYPE SELECTION (CON’T) | |||||
Type | JP21 | JP22 | JP23 | JP24 | JP25 |
80486SX | Open | Open | Open | Open | Open |
AM486DX | Open | Open | Open | Open | 2 & 3 |
80486DX | Open | Open | Open | Open | 2 & 3 |
AM486DX2 | Open | Open | Open | Open | 2 & 3 |
AM486DX2 (V8B, WB, 2x) | 1 & 2 | Open | 2 & 3 | 2 & 3 | 2 & 3 |
AM486DX2 (V8B, WB, 3x) | 1 & 2 | Open | Open | 2 & 3 | 2 & 3 |
AM486DX2 (V8B, WT, 2x) | 1 & 2 | Open | 2 & 3 | 2 & 3 | 2 & 3 |
AM486DX2 (V8B, WT, 3x) | 1 & 2 | Open | Open | 2 & 3 | 2 & 3 |
AM486DX2 (V8T) | Open | Open | Open | Open | 2 & 3 |
80486DX2 | Open | Open | Open | Open | 2 & 3 |
AM486DX4 (2x) | Open | Open | 2 & 3 | Open | 2 & 3 |
AM486DX4 (3x) | Open | Open | Open | Open | 2 & 3 |
AM486DX4 (V8B, WB, 2x) | 1 & 2 | Open | 2 & 3 | 2 & 3 | 2 & 3 |
AM486DX4 (V8B, WB, 3x) | 1 & 2 | Open | Open | 2 & 3 | 2 & 3 |
AM486DX4 (V8B, WT, 2x) | 1 & 2 | Open | 2 & 3 | 2 & 3 | 2 & 3 |
AM486DX4 (V8B, WT, 3x) | 1 & 2 | Open | Open | 2 & 3 | 2 & 3 |
AM486DX4 (V8T) | Open | Open | Open | Open | 2 & 3 |
80486DX4 (2x) | Open | Open | 2 & 3 | Open | 2 & 3 |
80486DX4 (2.5x) | Open | Open | 1 & 2 | Open | 2 & 3 |
80486DX4 (3x) | Open | Open | Open | Open | 2 & 3 |
CX M7 | 2 & 3 | 2 & 3 | Open | Open | 2 & 3 |
ST M7 | 2 & 3 | 2 & 3 | Open | Open | 2 & 3 |
IBM M7 | 2 & 3 | 2 & 3 | Open | Open | 2 & 3 |
CPU TYPE SELECTION (CON’T) | |||||
Type | JP21 | JP22 | JP23 | JP24 | JP25 |
TI M7 | 2 & 3 | 2 & 3 | Open | Open | 2 & 3 |
CX 5X86 (WB, 2x) | 1 & 2 | Open | 2 & 3 | 2 & 3 | 2 & 3 |
CX 5X86 (WT, 2x) | 1 & 2 | Open | 2 & 3 | 2 & 3 | 2 & 3 |
CX 5X86 (WB, 3x) | 1 & 2 | Open | Open | 2 & 3 | 2 & 3 |
CX 5X86 (WT, 3x) | 1 & 2 | Open | Open | 2 & 3 | 2 & 3 |
ST 5X86 (WB, 2x) | 1 & 2 | Open | 2 & 3 | 2 & 3 | 2 & 3 |
ST 5X86 (WT, 2x) | 1 & 2 | Open | 2 & 3 | 2 & 3 | 2 & 3 |
ST 5X86 (WB, 3x) | 1 & 2 | Open | Open | 2 & 3 | 2 & 3 |
ST 5X86 (WT, 3x) | 1 & 2 | Open | Open | 2 & 3 | 2 & 3 |
IBM 5X86 (WB, 2x) | 1 & 2 | Open | 2 & 3 | 2 & 3 | 2 & 3 |
IBM 5X86 (WT, 2x) | 1 & 2 | Open | 2 & 3 | 2 & 3 | 2 & 3 |
IBM 5X86 (WB, 3x) | 1 & 2 | Open | Open | 2 & 3 | 2 & 3 |
IBM 5X86 (WT, 3x) | 1 & 2 | Open | Open | 2 & 3 | 2 & 3 |
TI 5X86 (WB, 2x) | 1 & 2 | Open | 2 & 3 | 2 & 3 | 2 & 3 |
TI 5X86 (WT, 2x) | 1 & 2 | Open | 2 & 3 | 2 & 3 | 2 & 3 |
TI 5X86 (WB, 3x) | 1 & 2 | Open | Open | 2 & 3 | 2 & 3 |
TI 5X86 (WT, 3x) | 1 & 2 | Open | Open | 2 & 3 | 2 & 3 |
AM 5X86 (WB, 3x) | 1 & 2 | Open | Open | 2 & 3 | 2 & 3 |
AM 5X86 (WT, 4x) | 1 & 2 | Open | 2 & 3 | 2 & 3 | 2 & 3 |
AM 5X86 (WB, 3x) | 1 & 2 | Open | Open | 2 & 3 | 2 & 3 |
AM 5X86 (WT, 4x) | 1 & 2 | Open | 2 & 3 | 2 & 3 | 2 & 3 |
Note: Pins designated should be in the closed position. | |||||
CPU TYPE SELECTION (CON’T) | |||||
Type | JP26 | JP27 | JP28 | JP29 | JP30 |
80486SX | Open | Open | Open | Open | Open |
AM486DX | Open | Open | Open | Open | Open |
80486DX | Open | Open | Open | Open | Open |
AM486DX2 | Open | Open | Open | Open | Open |
AM486DX2 (V8B, WB, 2x) | 2 & 3 | Open | 1 & 2 | Open | Closed |
AM486DX2 (V8B, WB, 3x) | 2 & 3 | Open | 1 & 2 | Open | Closed |
AM486DX2 (V8B, WT, 2x) | 2 & 3 | Open | 2 & 3 | Open | Closed |
AM486DX2 (V8B, WT, 3x) | 2 & 3 | Open | 2 & 3 | Open | Closed |
AM486DX2 (V8T) | Open | Open | 2 & 3 | Open | Closed |
80486DX2 | Open | Open | Open | Open | Open |
AM486DX4 (2x) | 2 & 3 | Open | Open | Open | Closed |
AM486DX4 (3x) | 2 & 3 | Open | Open | Open | Closed |
AM486DX4 (V8B, WB, 2x) | 2 & 3 | Open | 1 & 2 | Open | Closed |
AM486DX4 (V8B, WB, 3x) | 2 & 3 | Open | 1 & 2 | Open | Closed |
AM486DX4 (V8B, WT, 2x) | 2 & 3 | Open | 2 & 3 | Open | Closed |
AM486DX4 (V8B, WT, 3x) | 2 & 3 | Open | 2 & 3 | Open | Closed |
CPU TYPE SELECTION (CON’T) | |||||
Type | JP26 | JP27 | JP28 | JP29 | JP30 |
AM486DX4 (V8T) | Open | Open | 1 & 2 | Open | Closed |
80486DX4 (2x) | 2 & 3 | Open | Open | Open | Closed |
80486DX4 (2.5x) | 2 & 3 | Open | Open | Open | Closed |
80486DX4 (3x) | 2 & 3 | Open | Open | Open | Closed |
CX M7 | 1 & 2 | Open | Open | Open | Closed |
ST M7 | 1 & 2 | Open | Open | Open | Closed |
IBM M7 | 1 & 2 | Open | Open | Open | Closed |
TI M7 | 1 & 2 | Open | Open | Open | Closed |
CX 5X86 (WB, 2x) | 2 & 3 | Open | 1 & 2 | Open | Closed |
CX 5X86 (WT, 2x) | 2 & 3 | Open | 2 & 3 | Open | Closed |
CX 5X86 (WB, 3x) | 2 & 3 | Open | 1 & 2 | Open | Closed |
CX 5X86 (WT, 3x) | 2 & 3 | Open | 2 & 3 | Open | Closed |
ST 5X86 (WB, 2x) | 2 & 3 | Open | 1 & 2 | Open | Closed |
ST 5X86 (WT, 2x) | 2 & 3 | Open | 2 & 3 | Open | Closed |
ST 5X86 (WB, 3x) | 2 & 3 | Open | 1 & 2 | Open | Closed |
ST 5X86 (WT, 3x) | 2 & 3 | Open | 2 & 3 | Open | Closed |
IBM 5X86 (WB, 2x) | 2 & 3 | Open | 1 & 2 | Open | Closed |
IBM 5X86 (WT, 2x) | 2 & 3 | Open | 2 & 3 | Open | Closed |
IBM 5X86 (WB, 3x) | 2 & 3 | Open | 1 & 2 | Open | Closed |
IBM 5X86 (WT, 3x) | 2 & 3 | Open | 2 & 3 | Open | Closed |
TI 5X86 (WB, 2x) | 2 & 3 | Open | 1 & 2 | Open | Closed |
TI 5X86 (WT, 2x) | 2 & 3 | Open | 2 & 3 | Open | Closed |
TI 5X86 (WB, 3x) | 2 & 3 | Open | 1 & 2 | Open | Closed |
TI 5X86 (WT, 3x) | 2 & 3 | Open | 2 & 3 | Open | Closed |
AM 5X86 (WB, 3x) | 2 & 3 | Open | 1 & 2 | Open | Closed |
AM 5X86 (WT, 4x) | 2 & 3 | Open | 2 & 3 | Open | Closed |
AM 5X86 (WB, 3x) | 2 & 3 | Open | 1 & 2 | Open | Closed |
AM 5X86 (WT, 4x) | 2 & 3 | Open | 2 & 3 | Open | Closed |
Note: Pins designated should be in the closed position. | |||||
CPU VOLTAGE SELECTION | ||
Voltage | JP32 | JP33 |
3.3v | Pins 1 & 2 closed | Pins 1 & 3, 2 & 4 closed |
3.45v | Pins 3 & 4 closed | Pins 1 & 3, 2 & 4 closed |
4v | Pins 5 & 6 closed | Pins 1 & 3, 2 & 4 closed |
5v | N/A | Pins 1 & 2, 3 & 4 closed |
IR SELECTION | ||
Setting | JP3 | JP4 |
U3 is 665IR, IR via CN7 | Pins 1 & 2 closed | Pins 1 & 2 closed |
U3 uses 665GT/669 or 665IR without IR | Pins 2 & 3 closed | Pins 2 & 3 closed |