FREETECH CORPORATION
P5F98A
Device Type | Mainboard |
Processor | CX 6X86L/CX 6X86 MX/CX MII/AM K6/Pentium/Pentium MMX |
Processor Speed | 100/120/133/150/166/180/200/233/266/300MHz |
Chip Set | SIS 5598 |
Video Chip Set | SIS |
Audio Chip Set | Advanced Logic |
Maximum Onboard Memory | 384MB (EDO & SDRAM supported), UMA (Unified Memory Architecture) |
Cache | 512KB |
BIOS | Unidentified |
Dimensions | 247mm x 220mm |
I/O Options | 32-bit PCI slots (3), floppy drive interface, game interface, IDE interfaces (2), parallel port, PS/2 mouse interface, serial ports (2), VGA feature connector, VGA port, IR connector, USB connector, ATX power connector, line in, line out, microphone in |

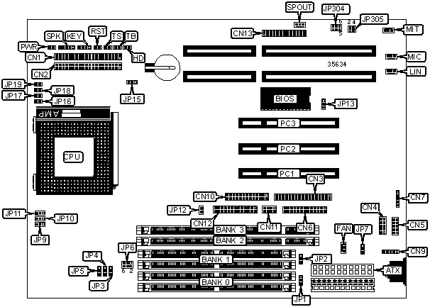
CONNECTIONS | |||
Purpose | Location | Purpose | Location |
ATX power connector | ATX | CPU fan power | FAN |
IDE interface 1 | CN1 | IDE interface LED | HD |
IDE interface 2 | CN2 | Power LED & keylock | KEY |
Floppy drive interface | CN3 | Line in | LIN |
Serial port 1 | CN4 | Microphone in | MIC |
Serial port 2 | CN5 | 32-bit PCI slots | PC1 - PC3 |
Parallel port | CN6 | Soft off power supply | PWR |
IR connector | CN7 | Reset switch | RST |
PS/2 mouse interface | CN9 | Speaker | SPK |
VGA connector | CN10 | Line out | SPOUT |
USB connector | CN11 | Turbo LED | TB |
VGA feature connector | CN12 | Turbo switch | TS |
Game interface | CN13 | ||
USER CONFIGURABLE SETTINGS | |||
Function | Label | Position | |
Flash BIOS voltage select 12v | JP13 | Pins 2 & 3 closed | |
Flash BIOS voltage select 5v | JP13 | Pins 1 & 2 closed | |
» | CMOS memory normal operation | JP15 | Pins 1 & 2 closed |
CMOS memory clear | JP15 | Pins 2 & 3 closed | |
SIMM CONFIGURATION | ||
Size | Bank 0 | Bank 1 |
4MB | (2) 1MB x 32 | None |
8MB | (2) 1MB x 32 | (2) 1MB x 32 |
8MB | (2) 2MB x 32 | None |
12MB | (2) 2MB x 32 | (2) 1MB x 32 |
16MB | (2) 2MB x 32 | (2) 2MB x 32 |
16MB | (2) 4MB x 32 | None |
24MB | (2) 4MB x 32 | (2) 2MB x 32 |
32MB | (2) 4MB x 32 | (2) 4MB x 32 |
32MB | (2) 8MB x 32 | None |
48MB | (2) 8MB x 32 | (2) 4MB x 32 |
64MB | (2) 8MB x 32 | (2) 8MB x 32 |
64MB | (2) 16MB x 32 | None |
96MB | (2) 16MB x 32 | (2) 8MB x 32 |
128MB | (2) 16MB x 32 | (2) 16MB x 32 |
128MB | (2) 32MB x 32 | None |
192MB | (2) 32MB x 32 | (2) 16MB x 32 |
256MB | (2) 32MB x 32 | (2) 32MB x 32 |
Note: Both SIMMs and DIMMs may be used at the same time, however the SIMM BANK 0 and the DIMM BANK 2 can not both be used at the same time. | ||
DIMM CONFIGURATION | ||
Size | Bank 2 | Bank 3 |
8MB | (1) 1MB x 64 | None |
16MB | (1) 1MB x 64 | (1) 1MB x 64 |
16MB | (1) 2MB x 64 | None |
24MB | (1) 2MB x 64 | (1) 1MB x 64 |
32MB | (1) 2MB x 64 | (1) 2MB x 64 |
32MB | (1) 4MB x 64 | None |
48MB | (1) 4MB x 64 | (1) 2MB x 64 |
64MB | (1) 4MB x 64 | (1) 4MB x 64 |
64MB | (1) 8MB x 64 | None |
96MB | (1) 8MB x 64 | (1) 4MB x 64 |
128MB | (1) 8MB x 64 | (1) 8MB x 64 |
128MB | (1) 16MB x 64 | None |
192MB | (1) 16MB x 64 | (1) 8MB x 64 |
256MB | (1) 16MB x 64 | (1) 16MB x 64 |
Note: Both SIMMs and DIMMs may be used at the same time, however the SIMM BANK 0 and the DIMM BANK 2 can not both be used at the same time. | ||
DIMM VOLTAGE SELECTION | |
Voltage | JP6 |
3.3v | Pins 3 & 5, 4 & 6 closed |
5v | Pins 1 & 3, 2 & 4 closed |
SOUND OUTPUT SELECTION | ||
Sound Output | JP304 | JP305 |
Line out | 1 & 3, 2 & 4 | Open |
Speaker out | 3 & 5, 4 & 6 | 1 & 2, 3 & 4 |
Note: Pins designated are in the closed position. | ||
VGA SELECTION | |||
VGA Selection | JP1 | JP2 | JP12 |
Onboard VGA enabled | 1 & 2 | 1 & 2 | Closed |
Onboard VGA disabled | 2 & 3 | 2 & 3 | Open |
Note: Pins designated are in the closed position. | |||
CPU SPEED SELECTION (CX 6X86L) | ||||||||
CPU speed | Clock speed | Multiplier | JP3 | JP4 | JP5 | JP9 | JP10 | JP11 |
150MHz | 60MHz | 2x | 2 & 3 | 1 & 2 | 2 & 3 | 1 & 2 | 2 & 3 | 1 & 2 |
166MHz | 66MHz | 2x | 2 & 3 | 2 & 3 | 1 & 2 | 1 & 2 | 2 & 3 | 1 & 2 |
200MHz | 75MHz | 3x | 1 & 2 | 1 & 2 | 2 & 3 | 1 & 2 | 2 & 3 | 1 & 2 |
Note: Pins designated are in the closed position. | ||||||||
CPU SPEED SELECTION (CX 6X86MX) | ||||||||
CPU speed | Clock speed | Multiplier | JP3 | JP4 | JP5 | JP9 | JP10 | JP11 |
166MHz | 60MHz | 2.5x | 2 & 3 | 1 & 2 | 2 & 3 | 1 & 2 | 2 & 3 | 2 & 3 |
166MHz | 66MHz | 2x | 2 & 3 | 2 & 3 | 1 & 2 | 1 & 2 | 2 & 3 | 1 & 2 |
200MHz | 66MHz | 2.5x | 2 & 3 | 2 & 3 | 1 & 2 | 1 & 2 | 2 & 3 | 2 & 3 |
233MHz | 75MHz | 2.5x | 1 & 2 | 1 & 2 | 2 & 3 | 1 & 2 | 2 & 3 | 2 & 3 |
233MHz | 66MHz | 3x | 2 & 3 | 2 & 3 | 1 & 2 | 1 & 2 | 1 & 2 | 2 & 3 |
Note: Pins designated are in the closed position. | ||||||||
CPU SPEED SELECTION (CX MII) | ||||||||
CPU speed | Clock speed | Multiplier | JP3 | JP4 | JP5 | JP9 | JP10 | JP11 |
233MHz | 75MHz | 2.5x | 1 & 2 | 1 & 2 | 2 & 3 | 1 & 2 | 2 & 3 | 2 & 3 |
233MHz | 66MHz | 3x | 2 & 3 | 2 & 3 | 1 & 2 | 1 & 2 | 1 & 2 | 2 & 3 |
300MHz | 75MHz | 3x | 1 & 2 | 1 & 2 | 2 & 3 | 1 & 2 | 1 & 2 | 2 & 3 |
Note: Pins designated are in the closed position. | ||||||||
CPU SPEED SELECTION (IBM 6X86L) | ||||||||
CPU speed | Clock speed | Multiplier | JP3 | JP4 | JP5 | JP9 | JP10 | JP11 |
150MHz | 60MHz | 2x | 2 & 3 | 1 & 2 | 2 & 3 | 1 & 2 | 2 & 3 | 1 & 2 |
166MHz | 66MHz | 2x | 2 & 3 | 2 & 3 | 1 & 2 | 1 & 2 | 2 & 3 | 1 & 2 |
200MHz | 75MHz | 3x | 1 & 2 | 1 & 2 | 2 & 3 | 1 & 2 | 2 & 3 | 1 & 2 |
Note: Pins designated are in the closed position. | ||||||||
CPU SPEED SELECTION (IBM 6X86MX) | ||||||||
CPU speed | Clock speed | Multiplier | JP3 | JP4 | JP5 | JP9 | JP10 | JP11 |
166MHz | 60MHz | 2.5x | 2 & 3 | 1 & 2 | 2 & 3 | 1 & 2 | 2 & 3 | 2 & 3 |
166MHz | 66MHz | 2x | 2 & 3 | 2 & 3 | 1 & 2 | 1 & 2 | 2 & 3 | 1 & 2 |
200MHz | 66MHz | 2.5x | 2 & 3 | 2 & 3 | 1 & 2 | 1 & 2 | 2 & 3 | 2 & 3 |
233MHz | 75MHz | 2.5x | 1 & 2 | 1 & 2 | 2 & 3 | 1 & 2 | 2 & 3 | 2 & 3 |
233MHz | 66MHz | 3x | 2 & 3 | 2 & 3 | 1 & 2 | 1 & 2 | 1 & 2 | 2 & 3 |
Note: Pins designated are in the closed position. | ||||||||
CPU SPEED SELECTION (IBM MII) | ||||||||
CPU speed | Clock speed | Multiplier | JP3 | JP4 | JP5 | JP9 | JP10 | JP11 |
233MHz | 75MHz | 2.5x | 1 & 2 | 1 & 2 | 2 & 3 | 1 & 2 | 2 & 3 | 2 & 3 |
233MHz | 66MHz | 3x | 2 & 3 | 2 & 3 | 1 & 2 | 1 & 2 | 1 & 2 | 2 & 3 |
300MHz | 75MHz | 3x | 1 & 2 | 1 & 2 | 2 & 3 | 1 & 2 | 1 & 2 | 2 & 3 |
Note: Pins designated are in the closed position. | ||||||||
CPU SPEED SELECTION (AM K6) | ||||||||
CPU speed | Clock speed | Multiplier | JP3 | JP4 | JP5 | JP9 | JP10 | JP11 |
166MHz | 66MHz | 2.5x | 2 & 3 | 2 & 3 | 1 & 2 | 1 & 2 | 2 & 3 | 2 & 3 |
200MHz | 66MHz | 3x | 2 & 3 | 2 & 3 | 1 & 2 | 1 & 2 | 1 & 2 | 2 & 3 |
233MHz | 66MHz | 3.5x | 2 & 3 | 2 & 3 | 1 & 2 | 1 & 2 | 1 & 2 | 1 & 2 |
266MHz | 66MHz | 4x | 2 & 3 | 2 & 3 | 1 & 2 | 2 & 3 | 2 & 3 | 1 & 2 |
300MHz | 66MHz | 4.5x | 2 & 3 | 2 & 3 | 1 & 2 | 2 & 3 | 2 & 3 | 2 & 3 |
Note: Pins designated are in the closed position. | ||||||||
CPU SPEED SELECTION (INTEL) | ||||||||
CPU speed | Clock speed | Multiplier | JP3 | JP4 | JP5 | JP9 | JP10 | JP11 |
100MHz | 66MHz | 1.5x | 2 & 3 | 2 & 3 | 1 & 2 | 1 & 2 | 1 & 2 | 1 & 2 |
133MHz | 66MHz | 2x | 2 & 3 | 2 & 3 | 1 & 2 | 1 & 2 | 2 & 3 | 1 & 2 |
166MHz | 66MHz | 2.5x | 2 & 3 | 2 & 3 | 1 & 2 | 1 & 2 | 2 & 3 | 2 & 3 |
200MHz | 66MHz | 3x | 2 & 3 | 2 & 3 | 1 & 2 | 1 & 2 | 1 & 2 | 2 & 3 |
Note: Pins designated are in the closed position. | ||||||||
CPU SPEED SELECTION (INTEL MMX) | ||||||||
CPU speed | Clock speed | Multiplier | JP3 | JP4 | JP5 | JP9 | JP10 | JP11 |
166MHz | 66MHz | 2.5x | 2 & 3 | 2 & 3 | 1 & 2 | 1 & 2 | 2 & 3 | 2 & 3 |
200MHz | 66MHz | 3x | 2 & 3 | 2 & 3 | 1 & 2 | 1 & 2 | 1 & 2 | 2 & 3 |
233MHz | 66MHz | 3.5x | 2 & 3 | 2 & 3 | 1 & 2 | 1 & 2 | 1 & 2 | 1 & 2 |
Note: Pins designated are in the closed position. | ||||||||
CPU VOLTAGE SELECTION | ||||
V Core | JP16 | JP17 | JP18 | JP19 |
2.2v | Open | Open | Closed | Closed |
2.5v | Open | Closed | Closed | Closed |
2.8v | Closed | Open | Open | Open |
2.9v | Closed | Open | Open | Closed |
3.2v | Closed | Closed | Open | Open |
3.3v | Closed | Closed | Open | Closed |
3.5v | Closed | Closed | Closed | Closed |